A estrenar -Moderna Casa en Los pensamientos y Arrayanes - Costa del este -

direccion Los Pensamientos Y Arrayanes, Costa Del Este

volver Volver al listado
left
right
left
right

Venta

USD 120.000

  • Oportunidad
  • Tipo de propiedad Casas
  • ambientes 3 Ambientes
  • toilet 1 baño
  • toilet 1 toilette
  • cama 2 Dormitorios
  • Disposicion Disposicion Frente
  • Orientacion Orientación Oeste
  • Anticipo y cuotas Anticipo y cuotas
  • Superficie cubierta Sup. cubierta 70m2
  • Superficie total Sup. total 454m2
  • Pisos 1 piso
  • Zonificacion Zonificación residencial
  • Antiguedad Antigüedad En construcción
  • Estado Estado Excelente

Acerca de la propiedad

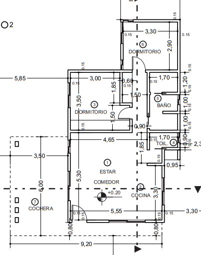
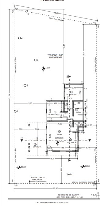
Pensamientos nº 518- casi arrayanes -   Moderna casa a la venta

Medidas y superficies:
  • Sup. del lote 453 m2 (lote de forma irregular: mide 15 x 31,64 x 26,8 x 15,26)
  • Sup. cubierta: 70 m2
  • semi-cub. 25
  • sup libre: 358

Descripcion:
consta de 3 ambientes, todo en planta baja. 
  • Estar comedor, cocina integrada.
  • Toilette
  • Baño - antebaño
  • 2 dormitorios. 
  • Cochera /quincho.
  • Parrilla.
  • amplio parque

Plazo de entrega: OCTUBRE 2025

A 12 cuadras de la playa, entorno tranquilo, arbolado, zona residencial .
ideal para vivienda permanente o de veraneo.

a 1 cuadra del asfalto

Consulte posibilidades de financiacion.

 

Comodidades

  • Patio Con patio
  • Cochera cochera
  • Jardin Con jardin
  • Parrilla Con parrilla
  • Mascotas Acepta mascotas
Ver más

Ubicación

Servicio brindado por

buscadorprop

Todos los derechos registrados:

grupotodo
whatsapp Whatsapp email Contactar telefono Llamar
Chatea con nosotros whatsapp